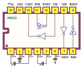
  | I simboli utilizzati nello schema sottolineano l'azione
    
  invertente 
  esercitata da ciascun operatore: non sono gli operatori logici che siamo abituati a trattare ma 
  
  traslatori 
  di Livello:
      | i 2 operatori del
    Receiver Max232 trasformano 
  le 
  tensioni RS232 negative e positive in 
    arrivo dal connettore 
  seriale rispettivamente in 
  livelli TTL 0 e 1 per la
   
  linea RxD e per le
   
    linee di controllo in ingresso
    all'UART, come CTS,
  DSR e 
    
  CD per i segnali in arrivo dal 
  modem DCE |  
      | i 2 operatori del
    Driver Max232 trasformano i 
  livelli TTL 0 e 1
  (della
   
  linea TxD e delle
   
    linee di controllo in uscita
    dall'UART, come  DTR 
  e  
    RTS per i segnali 
  diretti al modem DCE) 
  rispettivamente in 
  tensioni RS232 negative e positive sul connettore 
  seriale; queste  
    
  tensioni  
    (di solito ±10V) 
    necessarie per il suo servizio sono 
    ottenute con una particolare tecnica (detta a pompa 
    di carica) che sfrutta 4 condensatori, di solito posti 
    esternamente, sottoposti a carica con una particolare 
    frequenza di commutazione |  
   
   |